Skip to content Skip to sidebar Skip to footer

42 engine diagram with labels

Car engine diagram hi-res stock photography and images - Alamy RF 2GE4DTG - The Air To Water Intercooler System Diagram. Diagram showing using water to air intercooler type for racing car or jet ski use turbocharger system. RF EG12WB - Labeled diagram of four stroke internal combustion engine. RM A8XC7X - SIDE ELEVATION DIAGRAM OF DE DION BOUTON SINGLE CYLINDER PETROL CAR ENGINE engine - Sankey Diagrams The base seems to be 100% energy (the label actually says 'fuel exergy') and the useful energy (arrow going straight up, labeled 出力) is 15.48% only. Losses branch out as arrows to the left and to the right. ... User BoH created a Sankey diagram for a diesel engine and uplodad it to the WikiCommons. It is in Dutch and shows the energy ...

Understanding Generator Labels and Data Tags Generator set labels can be separated into the following groups: Data Tags - Includes engine data tag and generator tag. These tags provide specifications on the engine and generator. This data is needed when troubleshooting the generator set and purchasing parts. Caution Labels - Caution labels are generally yellow in color.

Engine diagram with labels

Engine diagram with labels

Olds ENGINE COMPARTMENT Archives - Dr. Decal cookielawinfo-checkbox-others. 11 months. This cookie is set by GDPR Cookie Consent plugin. The cookie is used to store the user consent for the cookies in the category "Other. cookielawinfo-checkbox-performance. 11 months. This cookie is set by GDPR Cookie Consent plugin. vehicle engine diagrams vehicle engine diagrams Patent US7962274 - Vehicle-mounted engine control apparatus - Google. 16 Pictures about Patent US7962274 - Vehicle-mounted engine control apparatus - Google : Labeled Diagram Car Engine, Diagram Of A Car Engine - AOSHYWII and also Small Engine Diagram Diy | Diagram. Electric Car Diagram - Car Construction Electric Car Diagram - there are information about electric motor vehicle diagram and plug-in electric car diagram. CAR ANATOMY. ELECTRIC CAR; Truck Anatomy. ... Electric car, Engine, How a car Works, Construction. The active reference to source is obligatory if you use materials of a site Car Anatomy . 909 shares. Facebook; Twitter; Pinterest;

Engine diagram with labels. Simple Diagram Of Car Engine | Car engine, Car mechanic ... - Pinterest More information. Find this Pin and more on Wiring Diagram by angel magda. Electric Car Engine. Radiator Cap. Diesel Cars. Car Restoration. Automotive Art. Automotive Industry. Latest Cars. v engine labeled diagram Draw A Well Labeled Circuit Diagram Of A Potentiometer Class 12 Physics potentiometer labeled resistance derivation ammeter 3 Wire Alternator Wiring Diagram Dodge wiringdiagramall.blogspot.com dodge wiring diagram ram alternator headlight 2001 1500 1991 2500 headlights 2003 harness diesel dens site sudden flicker wire truck PDF Small Engine Diagram Labeled Small Engine Diagram Labeled This diagram does not show the actual complexities of a typical engine (see some of the links at the bottom of the page for good images and descriptions of real engines). For example, it is normal for either the fuel or the oxidizer to be a cold liquefied gas like liquid hydrogen or liquid oxygen. 4 Stroke Engine Diagram and Working Principle - AutoExpose As the name, this engine have 4 steps in a cycle. Suction/intake stroke Compression stroke Combustion stroke Exhaust stroke Before we discuss about working principle, you need to understand main part of this engine. At least, there are 4 main part ; Cylinder block, tubular part that uses for piston movement.

Engine Diagram Labeled | Engineering, Diagram, Car mechanic Engine Diagram Labeled | Engineering, Diagram, Car mechanic Saved by Uploaded by user Engine Diagram Labeled angel magda 2k followers More information Find this Pin and more on Wiring Diagram by angel magda. Label Image Kicks Shoes Combustion Engine Own Website Car Engine International Airport One Pic Automobile Engineering More information ... cr250 engine diagram Honda Cr 125 Wiring Diagram - Wiring Diagram wiringdiagram.2bitboer.com. wiring diagram honda cr cr250. Dual Sport Wiring Harnes - Fuse & Wiring Diagram fusewiring.blogspot.com. harnes 500k. 5 3l vortec wiring harness with labels. Honda cr250r elsinore 1983 (d) usa crankcase. Vortec sensors excursion injector tahoe isolate untpikapps Automotive Wiring Diagrams and Electrical Symbols - Auto-Facts.org Automotive Wiring Basic Symbols. Automotive electrical diagrams provide symbols that represent circuit component functions. For example, a few basic symbols common to electrical schematics are shown as: (1) Switch, (2) Battery, (3) Resistor and (4) Ground. Note the switch symbol displays an open or closed circuit path, which is what an actual ... cessna 172 engine diagram cessna 172 panels aircraft custom panel instrument 1976 metal cockpit 172m flight labeled overlays cluster lower engine simulator. Cessna 210 Parts Catalog - Wiring Forums wiringforums.com. cessna parts engine. Resultado De Imagem Para Cessna 172 Diagram | Aviação, Aeronave, Aviador . Resultado de imagem para cessna 172 diagram.

2 Stroke Engine Animation And Diagrams 2 Stroke Engine Running Animation Diagrams. As the 2 stroke engine animation below shows, a two-stroke engine in its purest form is extremely simple in construction and operation, as it only has three primary moving parts (the piston, connecting rod, and crankshaft). However, the two-stroke cycle can be difficult for some to visualize at first because certain phases of the cycle occur ... Labeled diagram of car engine - Carsut The labeled diagram of car engine shared here is one of the best free car engine diagrams you can find. This is because the engine shown in the diagram below is one of the most basic yet simple car engines ever built over the century. It is an Austin 848 cc engine completed with all the important engine parts which make the engine runs. 2006 subaru impreza engine diagram subaru wrx engine sti bay 2007 2006 kit titanium bolts dress dressupbolts diagram. Need Help Finding A Labeled Engine Diagram - I-Club - The Ultimate . engine diagram labeled subaru finding need help club bay. Impreza 05my. 05 obxt lighting diagram. Diagram headlight subaru wiring forester obxt outback lighting 2005 forums tommy Label the Airplane in English Printout - EnchantedLearning.com Answers. EnchantedLearning.com. Label the Airplane. in English. More English Labeling Activities. aileron - the hinged surfaces of the trailing edge of a wing (far from the body of the plane) that move up and down in order to roll the plane from side to side. cockpit - where the pilots fly the plane, located at the front of the plane.

Echo PB-250 S/N: P30911001001 - P30911999999 Parts Diagram for Intake

Echo PB-250 S/N: P30911001001 - P30911999999 Parts Diagram for Intake

Labelled diagram of four stroke internal combustion engine. Labelled Diagram Of Four Stroke Internal Combustion Engine. Royalty Free Cliparts, Vectors, And Stock Illustration. Image 36643484. Vector — Labelled diagram of four stroke internal combustion engine. Compare Reset Filter Auto-enhance Background removal Size Standard sizes M 2048 x 2048 px L 5000 x 5000 px XL 7500 x 7500 px V SVG or EPS Or

Under Car Hood Diagram | My Wiring DIagram

Under Car Hood Diagram | My Wiring DIagram

Printable Car Dashboard Diagram with Labels and Warning Light Symbols Nov 2, 2016 - Use this simple, clear car dashboard diagram with labels and warning light symbols to better understand what's what. Not hi-res but sufficient to print.

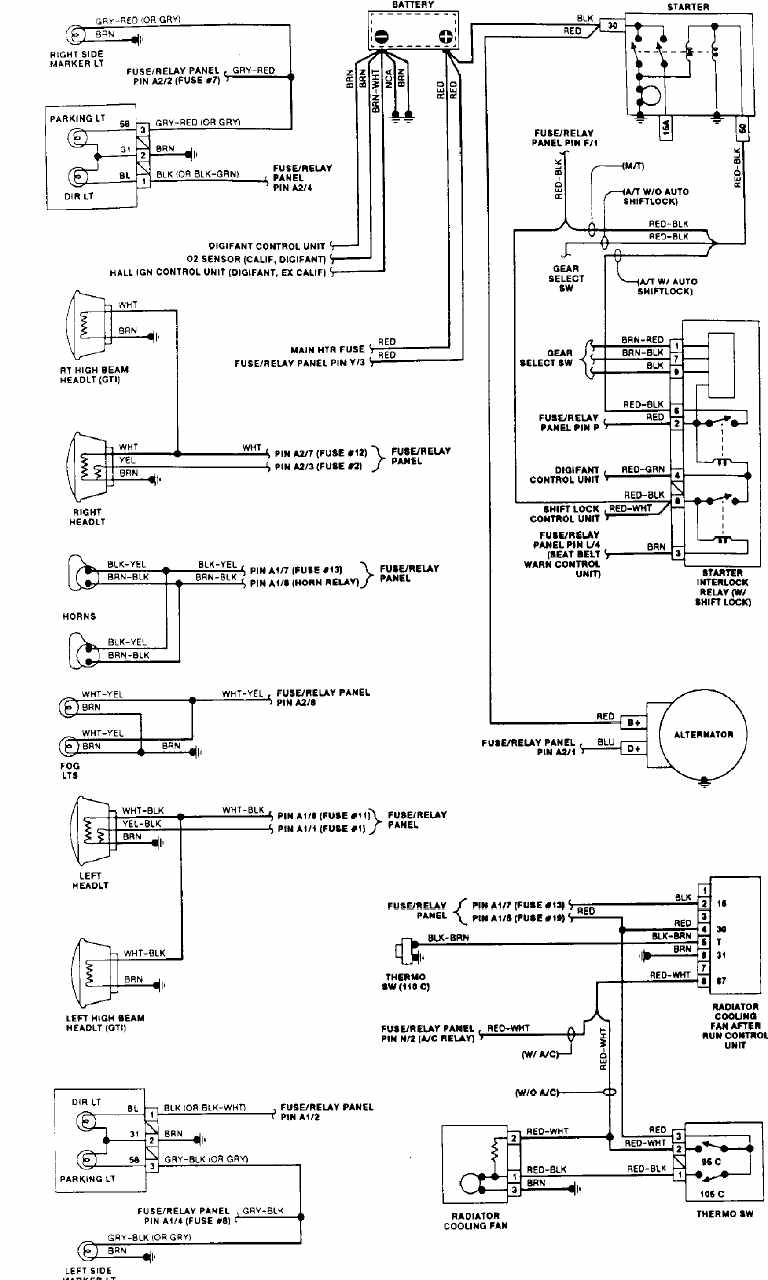
Volkswagen Golf GTI 1992 Engine Compartment Wiring Diagram | All about Wiring Diagrams

Volkswagen Golf GTI 1992 Engine Compartment Wiring Diagram | All about Wiring Diagrams

labeled diagram of electric motor Century Electric Motor Wiring Diagram . phase baldor schematic volts waterway schematics forward peterbilt imageservice cleaver compressor chatroom emerson. Armstrong E8.2 - 3/4" - 1-1/2" Flgd, CI, 1/6HP, 1PH Pump . armstrong e8 exploded pump diagram fluid technology series flgd. Weil Mclain Boiler Diagram www ...

A - Diagram Golf Mk2 1.6,1.8 Inj, G60 & Diesel Cooling Hoses - Air Cooled Technology

A - Diagram Golf Mk2 1.6,1.8 Inj, G60 & Diesel Cooling Hoses - Air Cooled Technology

engine parts diagram basic Rocket diagram labels svg english file rockets v2 schematic wikimedia commons space section pixels engine parts diagram basic. 99 f350 died - Page 2 - Ford Powerstroke Diesel Forum we have 9 Images about 99 f350 died - Page 2 - Ford Powerstroke Diesel Forum like [WX_3404] Rhino 660 Engine Diagram Free Diagram, [RZ_3775] 4R70W Diagram Fir ...

Pin on Engine Diagram

Pin on Engine Diagram

Two Stroke Engine : Parts , Cycle , Diagram , Working , Application 5. Two-stroke engines are lighter than same power four stroke engine 6. Construction and working of a two-stroke is simple 7. Less maintenance is required 8. High power to weight ratio. Disadvantages of two-stroke engines. 1. High-speed two-stroke engines are less efficient due to reduced volumetric efficiency 2.

Something All In Automotive: Engine Classifications

Something All In Automotive: Engine Classifications

2 Stroke Engine Diagram and Working Principle - AutoExpose 1. Upward stroke Advertisement The first step is the upward stroke, in this step the piston move upward from the BDC (bottom dead center) position to the TDC (top dead center). When the piston is in the BDC, there are AFM inside the combustion chamber that filled through the previous cycle, the AFM is ready for compression.

The Early Ford V8 - As Henry Built it: 1949 - 8BA (239.4 - Displacement Cubic Inches)

The Early Ford V8 - As Henry Built it: 1949 - 8BA (239.4 - Displacement Cubic Inches)

How an Engine Works with Labeled Parts - YouTube Some of this comes pretty fast. Pause at the right time to take a closer look.Questions?

Engine Report

Engine Report

Reading Your Engine Label - Kawasaki Engines Reading Your Engine Label. Every Kawasaki engine is fitted with a unique label or etching for identification. This shows the engine 'Model', 'Specification' and 'Serial Number'. You will need these details if you require any parts or service information for your engine.

Engine room arrangement

Engine room arrangement

30 Basic Parts of The Car Engine With Diagram The different parts that make up your car's engine consist of the engine block (cylinder block), the combustion chamber, the cylinder head, pistons, the crankshaft, the camshaft, the timing chain, the valve train, valves, rocker arms, pushrods/lifters, fuel injectors, and spark plugs. 1. Engine block The engine block is the main part of an engine.

Fuse and relay box diagram BMW 3 E36

Fuse and relay box diagram BMW 3 E36

Labeled Diagram of Car Engine Terminology More in ... When autocomplete results are available use up and down arrows to review and enter to select. Touch device users, explore by touch or with swipe gestures.

Engine Parts Diagram

Engine Parts Diagram

Electric Car Diagram - Car Construction Electric Car Diagram - there are information about electric motor vehicle diagram and plug-in electric car diagram. CAR ANATOMY. ELECTRIC CAR; Truck Anatomy. ... Electric car, Engine, How a car Works, Construction. The active reference to source is obligatory if you use materials of a site Car Anatomy . 909 shares. Facebook; Twitter; Pinterest;

Small Engine Diagram Diy | Diagram

Small Engine Diagram Diy | Diagram

vehicle engine diagrams vehicle engine diagrams Patent US7962274 - Vehicle-mounted engine control apparatus - Google. 16 Pictures about Patent US7962274 - Vehicle-mounted engine control apparatus - Google : Labeled Diagram Car Engine, Diagram Of A Car Engine - AOSHYWII and also Small Engine Diagram Diy | Diagram.

Labeled Diagram Car Engine

Labeled Diagram Car Engine

Olds ENGINE COMPARTMENT Archives - Dr. Decal cookielawinfo-checkbox-others. 11 months. This cookie is set by GDPR Cookie Consent plugin. The cookie is used to store the user consent for the cookies in the category "Other. cookielawinfo-checkbox-performance. 11 months. This cookie is set by GDPR Cookie Consent plugin.

Honda HRX217K1 HXA LAWN MOWER, USA, VIN# MAGA-1400001 TO MAGA- 1499999 Parts Diagram for CARBURETOR

Honda HRX217K1 HXA LAWN MOWER, USA, VIN# MAGA-1400001 TO MAGA- 1499999 Parts Diagram for CARBURETOR

Post a Comment for "42 engine diagram with labels"